Hola que tal,
Este no es un tutorial, es una publicación de tipo informativa donde podras encontrar los diseños guias para crear tus propias puertas y ventanas para uso personal en tus proyectos de diseño de planos.
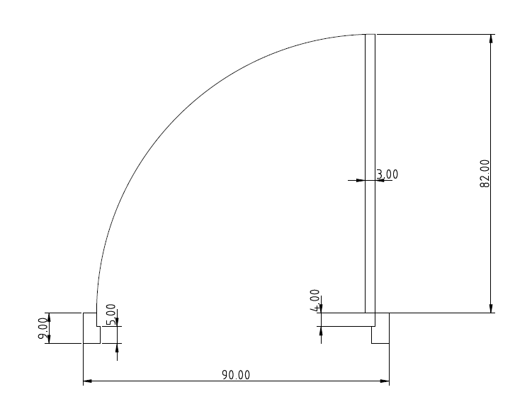
Recuerda siempre seguir las medidas ya estandarizadas en la industrial del diseño.
Ejercicio 1:

Video tutorial:
https://youtu.be/Ml5mSlUx_8E?si=X-S5HTKiUWKesQU4
Modelo puerta de 0.90m

Modelo ventana 1m
