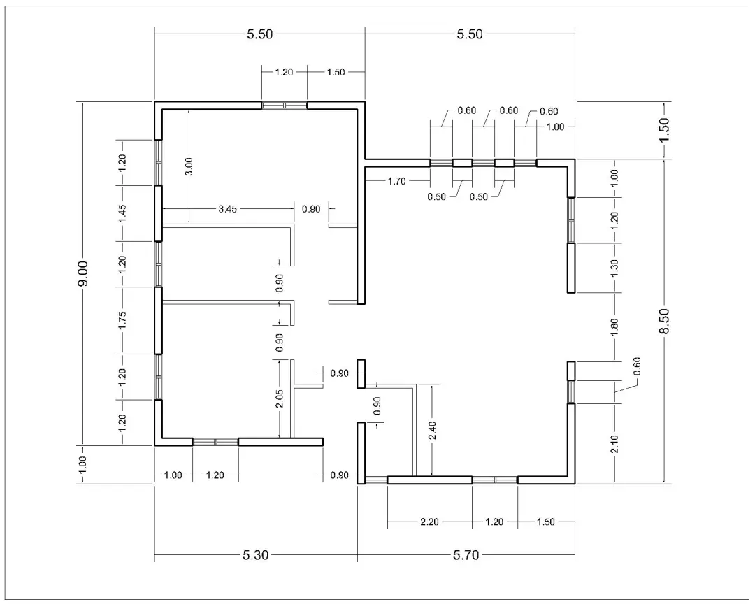
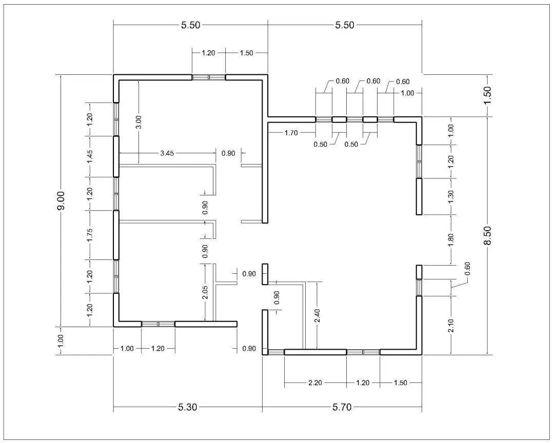
Ejercicio práctico casa de 1 planta | Software de LIBRECAD
Enunciado:
Diseñar el plano en 2D de una casa de una sola planta utilizando LibreCAD. El plano debe incluir las siguientes capas:
0
Auxiliar
Medidas
Puertas y ventanas
Nota: Recuerda que las medidas estan dadas en metros.

Enlace de plano de planta: https://drive.google.com/file/d/1FU8vu9uthMQyc7L1K4TJBR2xCSmWKX2b/view?usp=sharing