Ejercicios prácticos de diseño en 2D.
En este espacio encontrarás ejercicios que te retarán con el propósito de fortalecer tus habilidades de diseño. Cada ejercicio deberá desarrollarse siguiendo las siguientes indicaciones:
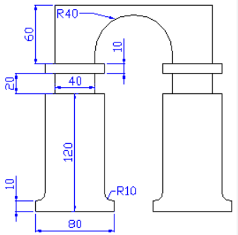
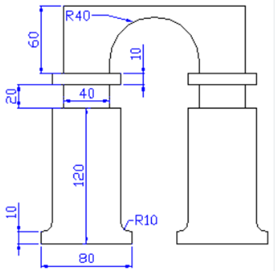
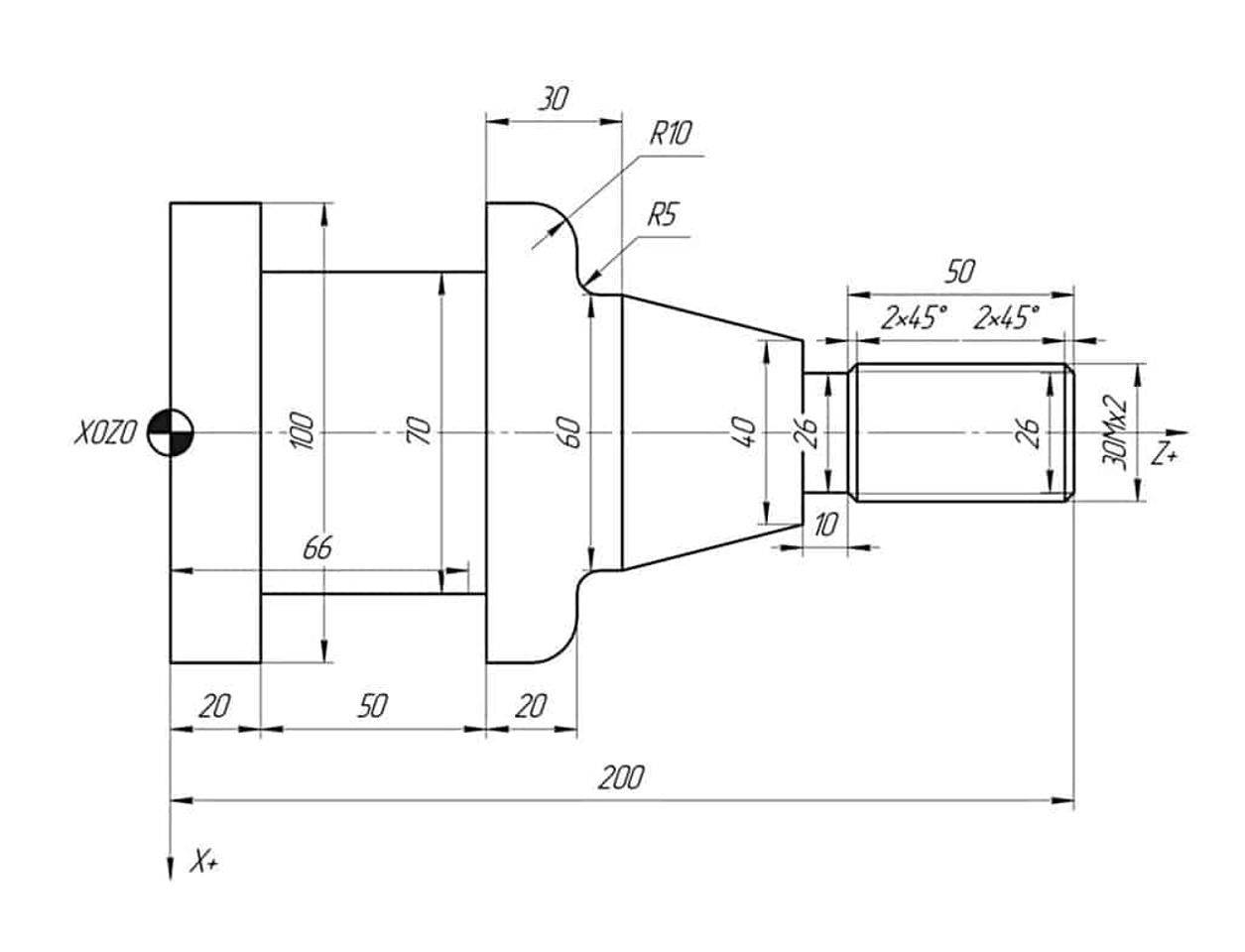
- Todos los diseños deben respetar las dimensiones definidas en cada imagen.
- Debes hacer uso de capas para organizar el trabajo: líneas auxiliares, acotado o dimensiones y diseño final.
- Todos los diseños deben entregarse con las dimensiones claramente definidas, ubicadas en una capa independiente y de color azul.
Empezemos…
Ejercicio 1:

Ejercicio 2:

Ejercicio 3:

Ejercicio 4:

Ejercicio 5:

Ejercicio 6:

Ejercicio 7:

Ejercicio 8:

Ejercicio 9:

Si tienes alguna duda o inquietud durante el desarrollo de algún ejercicio, no olvides dejarla en la caja de comentarios para que podamos brindarte la ayuda necesaria.
Pública tu duda o comentario
Resuelve tus dudas con la comunidad.


(0) Comentarios
No registra comentarios, se el primero en comentar.
Publicar